Successivo

News

Batterie: il futuro è nella cellulosa e nella stampa 3d

Davide Piumetti | 2 Aprile 2016

La natura ci riserva sempre infinite sorprese e possiamo sempre imparare qualcosa da essa. I ricercatori dell’università  del Maryland hanno […]

La natura ci riserva sempre infinite sorprese e possiamo sempre imparare qualcosa da essa. I ricercatori dell’università  del Maryland hanno studiato a fondo come le piante riescano a trasmettere segnali elettrici al loro interno e sono arrivati alla conclusione che è possibile sviluppare batterie… di legno.

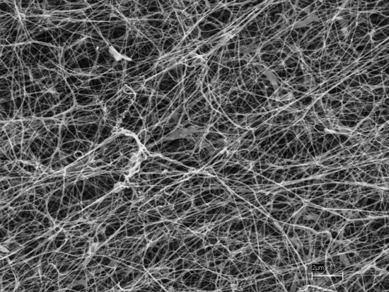
In realtà  hanno utilizzato una struttura in cellulosa all’interno della quale è stato inserito un elettrolita a base di ioni di sodio e costruito una batteria. A oggi i risultati sono buoni, con batterie funzionanti in grado di offrire quasi le stesse prestazioni delle controparti agli ioni di litio. Il prossimo problema da risolvere? La durata ridotta della struttura in cellulosa.

batterie

La struttura della cellulosa, ingrandita al microscopio.

Un altro fronte è altrettanto promettente. Un settore in rapidissima ascesa come quello della stampa 3D non poteva non contribuire al miglioramento di quelli esistenti, come anche quello delle batterie. Le nuove possibilità  di microstampa hanno permesso all’università  di Harvard di creare la prima microbatteria stampata in 3D, in grado di funzionare correttamente e alimentare un vero carico.

Il dispositivo è largo meno di un millimetro ed è stato costruito utilizzando le tecnologie agli ioni di litio già  diffuse. Capacità  e prestazioni sono in scala e quindi adatte ad alimentare dispositivi piccolissimi.